Котел 1.86 МВт угольный в Экибастузе

Угольный котел 1.86 МВт
Котел 1.86 МВт угольный
Котел 1.86 МВт угольный с колосниками чертеж
Котел 1.86 МВт угольный чертеж
Угольный котел с золоуловителем 1.86 МВт
Котел 1.86 МВт угольный с золоуловителем
Угольный котел 1.86 МВт - изготовление
Изготовление угольного котла 1.86 МВт
Угольный промышленный котел 1.86 МВт - изготовление
Изготовление угольного промышленного котла 1.86 МВт
Угольные котлы 1.86 МВт - производство
Производство угольных котлов 1.86 МВт
Котел угольный 1.86 МВт - обмуровка
Обмуровка угольного котла 1.86 МВт
Шибер газохода к угольному котлу 1.86 МВт
Шибер газохода угольного котла 1.86 МВт
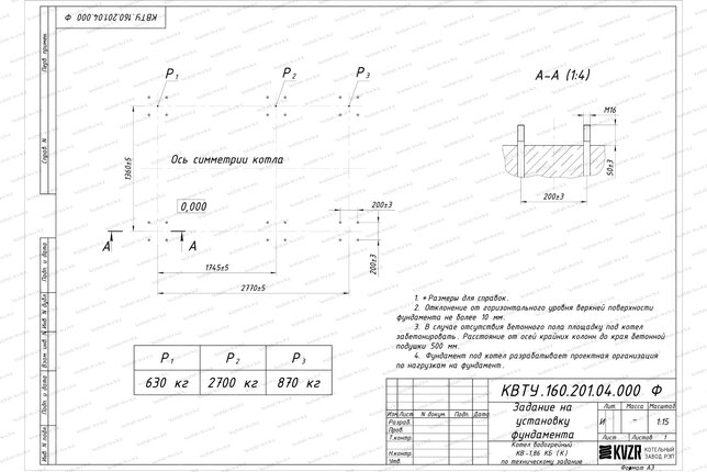
Чертеж изготовления фундамента котла 1.86 МВт угольного с колосниками
Чертеж фундамента котла 1.86 МВт на угле
Угольный котел 1.86 МВт
Котел 1.86 МВт угольный с колосниками чертеж
Угольный котел с золоуловителем 1.86 МВт
Угольный котел 1.86 МВт - изготовление
Угольный промышленный котел 1.86 МВт - изготовление
Угольные котлы 1.86 МВт - производство
Котел угольный 1.86 МВт - обмуровка
Шибер газохода к угольному котлу 1.86 МВт
Чертеж изготовления фундамента котла 1.86 МВт угольного с колосниками
Цена
8 089 920 ₸
От 8 089 920 ₸ с доставкой до г.
  • Самая простая модель с ручной колосниковой топкой
  • Удобно размещается в маленьких помещениях котельных
  • Работает с дымососом и вентилятором
  • Тяга и дутье регулируются шиберами, входящими в комплект поставки
  • Повышенная надежность работы котла обеспечивается изготовлением трубной системы из трубы сталь 10-20

Технические характеристики котла 1.86 МВт угольного

МаркаКотел 1.86 МВт угольный
ВидВодогрейный
Тип отопительного котлаТвердотопливный
БрендHEATEXPERT
ТипКотел КВр
Вид топкиРучная, Колосники
Максимальная тепловая мощность1.86 МВт
Максимальная тепловая мощность1860 кВт
Максимальная тепловая мощность1.6 Гкал
Диапазон регулирования мощности50-100 %
ТопливоТвердое, Уголь
Низшая теплота сгорания проектного топлива5230 кКал/кг
КПД котла на УГЛЕ, не менее80 %
Расход УГЛЯ среднечасовой за отопительный сезон208.9 кг/ч
Расход УГЛЯ при максимальной нагрузке котла365 кг/ч
Расход условного топлива273 кг/ч
Минимальная температура воды на входе в котел55 °С
Максимальная температура воды на выходе из котла115 °С
Давление воды, не более0.3-0.6 (3-6) МПа (кгс/см²)
Номинальный расход теплоносителя64 м³/ч
Расход теплоносителя через котел min-max48-80 м³/ч
Гидравлическое сопротивление при номинальном расходене более 0.07 (0.7) МПа (кгс/см²)
Аэродинамическое сопротивление230 (23.45) Па (мм. вод. ст.)
Разряжение в топочной камере20-40 (2-4) Па (мм. вод. ст.)
Объем уходящих газов8000 м³/ч
Температура уходящих газов220 °С
ТягаУравновешенная
Водяной объем котла1800 л
Объем топочной камеры4.49 м³
Размер топочной камеры, длина*ширина*высота1745х1360х1890 мм
Активная площадь решетки горения2.4 м²
Присоединительные размеры по водяному тракту125 Ду
Присоединительные размеры газохода уходящих газов, ширина*высота / сечение1010х250 / 0.25 мм/м²
Габаритные размеры котла, длина*ширина*высота3200х1950х2600 мм
Масса6000 кг
Конструкция котлаВодотрубная
Количество контуровОдноконтурный
РазмещениеНапольный
Тип камеры сгоранияОткрытый
УправлениеЭлектронное
Принцип работы твердотопливного котлаКлассический
ЭнергонезависимыйНет
Тип питанияТрехфазное
Встроенный циркуляционный насосНет
Встроенный расширительный бакНет
ЭнергоэффективностьВысокая
Отапливаемая площадьот 15700 до 20400 м²
Отапливаемый объемот 47000 до 61000 м³

Котел 1.86 МВт угольный в Экибастузе

Промышленный угольный котел мощностью 1.86 МВт – современный, компактный, горизонтального расположения, с ручной загрузкой топлива, предназначен для отопления и горячего водоснабжения бытовых зданий и промышленных котельных.

Водогрейный котел 1.86 МВт на угле имеет следующие технические характеристики:

  • мощность – 1.86 МВт, 1860 кВт, 1,6 Гкал;
  • топливо - каменный и бурый уголь;
  • температура - до 115 °С;
  • давление - 0.3 – 0.6 МПа.

Котел 1.86 МВт на угле устройство

Стальной отопительный котел 1,86 МВт на угле состоит из топочной и конвективной частей, расположенных горизонтально.

Топочная часть. Камера горения изготовлена из стальных водозаполненных панелей для исключения перегрева конструкции. Топка выполнена в газоплотном исполнении. Газоплотность исключает присосы холодного воздуха в топочную часть и выход дымовых газов в котельный зал.

Чугунные колосники укладываются в топку и образуют колосниковую решетку, необходимую для поддержания слоя топлива. Колосники имеют щелевидные отверстия, которые снизу расширяются. Отверстия необходимы для провала золы и шлака в зольник и подвода воздуха на горение. Подвод воздуха осуществляется принудительно при помощи вентилятора. Расход воздуха регулируется шибером.

Конвективная часть. Конвективная поверхность нагрева выполнена из параллельно установленных в шахматном порядке труб. Шахматное расположение способствует более полному омыванию труб горячими газами.

Развитая конвективная часть снижает температуру уходящих газов на выходе из теплоагрегата до 200-180 °С. Горячие газы, проходя плотную конвективную ступень, максимально отдают тепло теплоносителю, позволяя экономить на топливе. Очистка поверхностей нагрева проводится через люки в обшивке.

Множественные перегородки увеличивают скорость потока воды в трубной системе водонагревательного котла. Это исключает застойные зоны и перегрев поверхностей нагрева. Для выпуска воздуха при заполнении котла водой во всех верхних коллекторах установлены штуцера с запорной арматурой.

Для продувки и дренажа в нижних коллекторах установлены дренажные штуцера с запорной арматурой. Стационарный нагревательный котел 1 86 МВт изготавливается со съемной, облегченной теплоизоляцией из плит ПТЭ. Обшивка производится из стальных листов.

Принцип работы угольных котлов 1,86 МВт

Уголь в водогрейный колосниковый котел 1.86 на угле укладывается через чугунную дверку, расположенную на фронте теплогенератора. Распределение свежего угля по колосниковой решетке должно быть равномерным высотой не более 200 мм.

Образующиеся в камере горения дымовые газы выходят через окно на задней стенке топки, проходят две конвективных ступени и выводятся в выходное окно на задней стенке котлоагрегата. На выходном окне установлен поворотный шибер, позволяющий регулировать тягу.

Зола и шлак из зольника через дверку выгребаются и удаляются в отвал.

Регулирование мощности котла

Регулировка производительности и температуры производственного теплового угольного котла 1.86 МВт производится изменением количества забрасываемого топлива и подачи воздуха. Подача воздуха регулируется шибером вентилятора. Тяга настраивается регулировкой шибера на дымоходе за котлом.

Комплект поставки

Цена на напольные котлы 1 86 МВт угольные включает базовую комплектацию. В состав базовой комплектации входит: котельный блок, топка, колосники, затворы, предохранительные клапаны, вентили, манометры, термометры, трехходовые краны.

Дополнительная комплектация

  • автоматика – обеспечивает управление и безопасность котла;
  • дымосос – создает разряжение в котле и исключает попадание дыма в помещение;
  • золоуловитель – применяется для улавливания золы из дымовых газов;
  • циркуляционный насос - обеспечивает циркуляцию воды в котлоагрегате;
  • подпиточный насос – позволяет пополнять объем теплоносителя в контуре;
  • дымовая труба – удаляет дымовые газы от котла за пределы помещения и рассеивает их в атмосфере. Подбирается по техзаданию.

Купить угольный котел 1.86 МВт

Для того чтобы купить угольный водогрейный котел 1,86 МВт российского производства в Экибастузе вы можете сделать заявку по телефону +7-7172-69-59-73, либо оформить заявку онлайн. Менеджеры дадут консультацию по подбору вспомогательного оборудования для выбранных вами моделей и рассчитают стоимость доставки. Транспортирование котлоагрегата и вспомогательного оборудования до объекта осуществляется автомобильным транспортом.

Комплект поставки котла 1.86 МВт угольного

Вентилятор
Вентилятор 4 с дв. 5,5/1500
1 штука
Затвор Ду 125
Затвор Ду 125
2 штуки
Колосники котлов
Колосник 1180x220
8 штук
Предохранительный клапан 17с28нж Ду 50
Клапан предохранительный 17с28нж Ду 50
1 штука
Клапан обратный
Клапан обратный
1 штука
Манометр МП 160
Манометр МП 160
2 штуки
Кран трехходовой ДУ 15
Кран Ду 15
2 штуки
Термометр ТТЖО
Термометр ТТЖО
2 штуки
Оправа термометра ОПТ
Оправа ОПТ
2 штуки
Вентиль Ду 20
Вентиль Ду 20
8 штук
Вентиль Ду 25
Вентиль Ду 25
6 штук

Вспомогательное оборудование для работы котла 1.86 МВт угольного

Насос К консольный
К 100-80-160а
Цена 595 932 тг.
Насос К консольный
К 65-50-160а
Цена 388 596 тг.
Насос TD
Насос TD65-34G2 (7.5 кВт)
Цена 1 238 292 тг.
Насос TD
Насос TD80-32G2 (11 кВт)
Цена 1 870 476 тг.
Насос CHL
Насос CHL8-30 (1.1 кВт)
Цена 618 828 тг.
Дымосос ДН 8
Цена 1 380 756 тг.
Золоуловитель ЗУ 1.6
Цена 432 480 тг.

Аналоги котла 1.86 МВт угольного

Котел 1.86 с топкой ОУР
Котел 1.86 с ОУР
Вид топкиРучная, ОУР
Максимальная тепловая мощность, МВт1.86
ТопливоТвердое, Уголь
Отапливаемая площадь, м²от 15700 до 20400
Цена 7 682 880 тг.
Котел 1.86 МВт дрова уголь
Котел 1.86 МВт уголь дрова
Вид топкиРучная, Колосники, ОУР
Максимальная тепловая мощность, МВт1.86
ТопливоТвердое, Уголь, Дрова
Отапливаемая площадь, м²от 15700 до 20400
Цена 8 178 960 тг.
Котел КВм 1.86 МВт с топкой РПК
Котел КВм 1.86 МВт с РПК
Вид топкиМеханическая, РПК
Максимальная тепловая мощность, МВт1.86
ТопливоТвердое, Уголь
Отапливаемая площадь, м²от 15700 до 20400
Цена 9 150 768 тг.
Угольный котел 1.6 МВт
Котел 1.6 МВт угольный
Вид топкиРучная, Колосники
Максимальная тепловая мощность, МВт1.63
ТопливоТвердое, Уголь
Отапливаемая площадь, м²от 14700 до 19000
Цена 6 417 240 тг.
Угольный котел 2.0 МВт
Котел 2.0 МВт угольный
Вид топкиРучная, Колосники
Максимальная тепловая мощность, МВт2
ТопливоТвердое, Уголь
Отапливаемая площадь, м²от 16700 до 21900
Цена 8 388 840 тг.

Сертификат и качество котла 1.86 МВт угольного

Сертификат на водогрейные котлы на твердом и жидком топливе
Сертификат на водогрейные котлы на твердом топливе

Собственное производство

Котельный завод производит
  • Паровые котлы от 300 кг до 2.5 тонны пара в час
  • Промышленные водогрейные котлы от 150 КВт до 4 МВт на всех видах топлива
  • Механические топки ТШПМ, шурующая планка и ТЛПХ, ленточное полотно прямого хода
  • Циклоны для очистки воздуха и дымовых газов для производств и промышленных отраслей
  • Транспортеры и системы топливоподачи и шлакоудаления
Подробнее о производстве
Собственное производство
Смотреть видео
с производства